MAE-96O
Centrale de mesure pour 9 circuits continus
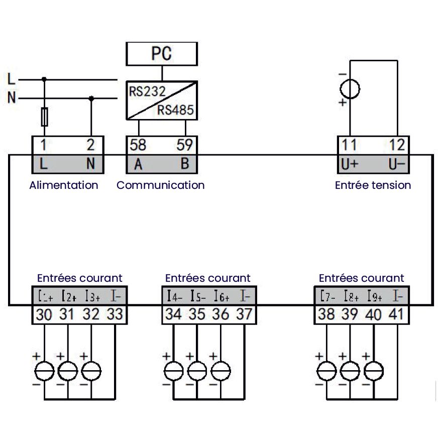
La centrale de mesure MAP4-DC9 permet de mesurer jusqu’à 9 circuits continus
Électriques :
Mesure de 1 à 9 circuits continus.
Alimentation auxiliaire 80 … 270 Vca.
Entrée tension : directe 1000 Vcc maxi.
Entrée courant 4Vcc pour capteurs de courant à effet hall.
Physiques :
Montage sur rail-din, boîtier largeur 4 modules.
Communication :
Port Modbus entièrement programmable (parité, vitesse, trame).
Multi-mesure :
Mesure des principales grandeurs électriques pour une analyse détaillée des circuits mesurés :
Enregistrement :
Index mensuels des énergies actives des 6 derniers mois, du jour en cour et du précédent. Données récupérables par communication modbus.
Précision :
Classe 1% pour l’énergie active et 0,5% pour les mesures instantanées.
Fonction enregistreur :
Pour des applications de relevés périodiques de données.
Multi-circuits :
Mesure jusqu’à 9 circuits, extensible à 21 circuits en rajoutant le module additionnel MAP4-DC12.
Conformités :
CE, RoHS, REACh.
Standards applicables :
IEC 61000-4-2/-3/-4/-5/-6/-8/-11
Modules additionnels :
Les modules se clipsent sur le côté de la centrale et ajoutent des fonctionnalités :
Capteurs de courant :
A effet hall ou shunts de mesure. Voir la rubrique transformateurs de courant.
Capteur de courant effet hall compatibles :
Module additionnel :
Cahiers techniques :
Articles :
Centrale de mesure pour 9 circuits continus
Présentation gamme Enerliz cc
0.36 mb
Catalogue général
17.04 mb
Fiche produit
0.55 mb
Notice complète
0.98 mb
Table d’échange modbus
0.17 mb