MSC-N1
Centrale de mesure encastrable – Modbus et sorties relais
La centrale de mesure MAE-1 est un instrument de mesure hautes performances pour une analyse précise et complète d’un circuit électrique :
Électriques :
2 versions sont disponibles :
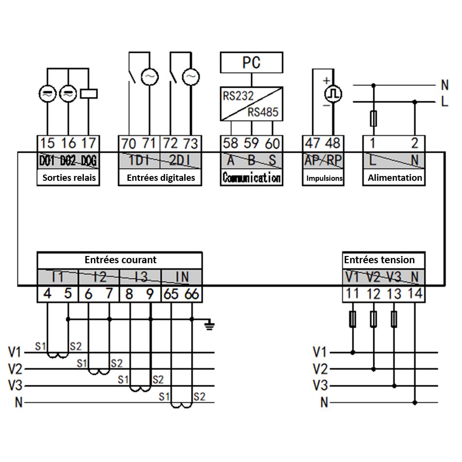
Centrale de mesure pour réseau monophasé, triphasé ou tétrapolaire.
Raccordement indirect sur transformateurs de courant à secondaire 1A ou 5A, et/ou de tension.
Précision mesure énergie active classe 0,2S.
Physiques :
Fixation encastrée dans découpe 91×91 mm. Boîtier dimensions 96×96, profondeur 52,8 mm.
Afficheur TFT couleur.
Face avant IP65.
Communication :
1 émetteur d’impulsions paramétrable.
Port Modbus entièrement programmable (parité, vitesse, trame).
Entrées et sorties relais :
2 entrées digitales.
2 sorties relais.
Multi-mesure :
Mesure d’une multitude de grandeurs électriques pour une analyse complète et précise du circuit :
– énergies actives et réactives, importées et exportées
– tension
– courant
– puissances actives, réactives et apparentes
– facteur de puissance
– fréquence
– demandes
– valeurs extrêmes
– déséquilibres
– harmoniques jusqu’au rang 63
– et bien d’autres …
Enregistrement des données :
La centrale de mesure enregistre toutes les données mesurées ainsi que les évènements :
Ces données sont consultables depuis le logiciel fourni gratuitement, puis exportables au format .csv.
Pilotage de circuits et alarmes :
Les 2 relais sont programmables sur atteintes de seuils mini ou maxi de courant, tension, puissance, déséquilibre entre phase, … permettant :
– d’alerter en cas de signal électrique anormal
– de protéger les circuits électriques
– de réaliser des fonctions d’alarme en cas d’avarie ou signal inapproprié
– de réaliser du délestage automatique en cas de surcharge.
Remontée d’état de circuits électrique :
Les 4 entrées digitales permettent de connaître l’état de circuits ou appareils électriques annexes et d’alerter en cas de défaillance ou coupure d’un circuit.
Modules additionnels :
possibilité d’installer jusqu’à 4 modules Max à l’arrière du boîtier, pour ajouter des fonctionnalités supplémentaires de communication, de mesure ou de gestion.
Interface ergonomique :
L’écran TFT couleur assure une présentation des données sous forme de diagrammes ou graphiques vectoriels. La navigation est intuitive grâce à des sous-menus clairement identifiables.
Supervision à distance :
Un logiciel complet est fournit avec la centrale de mesure, permettant de consulter les données et commander les sorties relais depuis un ordinateur.
Haute précision :
classe 0,2S pour l’énergie active et 0,2% pour les mesures instantanées.
Conformités :
CE, RoHS, REACh.
Standards applicables :
IEC61000-4, IEC61010-1, IEC62053-23, classe 2, IEC62053-22, classe 0,2S.
Module additionnels de communication :
Centrale de mesure encastrable – Modbus et sorties relais
MAE-1
80-270 Vca/cc
instock
MAE-1-DC
20-60 Vcc
instock
Centrale de mesure encastrable – Modbus et sorties relais
Présentation centrale MAE1
0.76 mb
Catalogue général
17.04 mb
Notice complète
3.9 mb
Table d’échange Modbus RTU
0.45 mb
Fichier 3D
1.41 mb