MCT4-463M
Centrale de mesure pour courant continu – 1 circuit
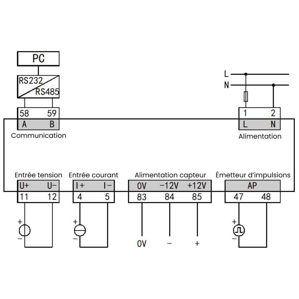
Le compteur MAP4-DC1 mesure et affiche les principales grandeurs électriques d’un circuit en courant continu
Électriques :
Mesure d’un circuit continu.
Alimentation auxiliaire 80 … 270 Vca.
Entrée tension : directe 1000 Vcc maxi.
Entrée courant pour capteur de courant à effet hall de secondaire 4Vcc.
Sortie 12Vcc intégrée pour alimentation du capteur de courant à effet hall.
Physiques :
Montage sur rail-din, boîtier largeur 4 modules.
Communication :
Émetteurs d’impulsions sur énergie active.
Port Modbus entièrement programmable (parité, vitesse, trame).
Une entrée digitale.
Multi-mesure :
Mesure des principales grandeurs électriques pour une analyse détaillée du circuit :
Enregistrement des énergies actives :
Trois derniers mois consultables sur l’afficheur.
Douze derniers mois et 10 derniers jours consultables via Modbus.
Précision :
Classe 1% pour l’énergie active et 0,5% pour les mesures instantanées.
Conformités :
CE, RoHS, REACh.
Standards applicables :
IEC 61000-4-2/-3/-4/-5/-6/-8/-11
Modules additionnels :
Les modules MMC2 se clipsent sur le côté de la centrale et ajoutent des fonctionnalités telle que la communication Lora ou des sorties relais et entrées digitales.
Capteurs de courant :
A effet hall ou shunts de mesure. Voir la rubrique transformateurs de courant.
Capteur de courant effet hall compatibles :
Cahiers techniques :
Articles :
Présentation de la centrale de mesure MAP4-DC | Gamme ENERLIZ
Centrale de mesure pour courant continu – 1 circuit
La centrale de mesure est proposée avec entrée courant 4Vcc pour capteur à effet Hall ou 75mV pour shunt de mesure
MAP4-DC1-4V
4V – Capteur effet hall
instock
MAP4-DC1-75MV
75mV – Shunt
instock
Centrale de mesure pour courant continu – 1 circuit
Présentation gamme Enerliz cc
0.36 mb
Catalogue général
17.04 mb
Fiche produit
0.53 mb
Notice complète
4.54 mb
Table d’échange Modbus
0.13 mb